RICAMBI FRIGO RM4230L BATTERIA REFRIGERANTE: CALOTTA BRUCIATORE GAS

292392700DOM

accessoricaravan

  • €26,84
    Prezzo unitario per 
Imposte incluse. Spese di spedizione calcolate al momento del pagamento.


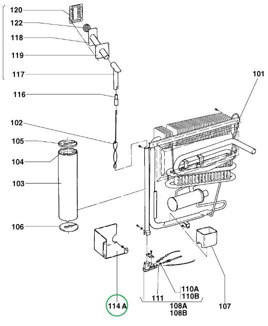
POSIZIONE N. 114A
PIEZO



Ti consigliamo anche